Envoyez-nous un email
Nouvelles

Construction et entretien des mini excavateurs

Construction et entretien des mini excavateurs


MINI ECCAVATOR CONSTRUCTION INNOVATION ET ENTRETIEN INTELLIGENT: petit corps transportant de grands projets


1 、 Analyse de la construction de mini excavatrices: une technologie quatre dimensions remodelant le «magicien spatial»

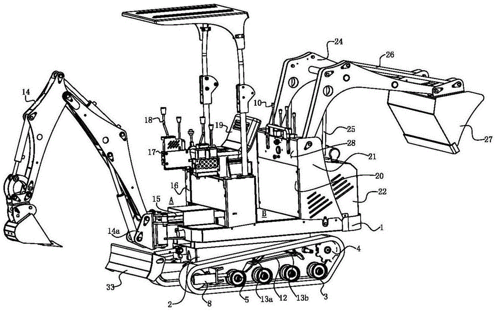
Châssis et système de marche:


Conception de tournant sans filet: des modèles tels que Sany Sy18u adoptent une structure de «saillie zéro queue», avec un rayon de tournant de queue de seulement 0,86 mètre, permettant une rotation libre à 360 ° dans des tunnels étroits sans entrer en collision avec les murs. Dans le même temps, notre mini excavatrice de 0,8 tonne peut également atteindre un rayon de tournant de 1,1 m, permettant un fonctionnement libre et flexible dans des espaces étroits.


Cadre de piste réglable: la jauge de piste peut être ajustée librement (comme SY16C soutenant l'expansion et la contraction de 980-1350 mm), ce qui facilite la croix étroite de 1 mètre. La pression de mise à la terre de la piste en caoutchouc est aussi faible que 25 kPa, protégeant le sol pavé.


Roulements de lubrification auto-lubrifiants: Le châssis Yanmar utilise les roulements en plastique de la série Iglidur G au lieu des roulements à billes traditionnels, qui sont anti-encrassant, anti-rouille et sans entretien, augmentant la durée de vie de la durée de vie de trois fois.




Système d'énergie et hydraulique:


Révolution de puissance à double mode: la petite excavatrice adopte Kubota KX019, qui prend en charge la commutation de clics diesel / électrique, une batterie de 20 kWh fournit une plage de 8 heures et le bruit de fonctionnement intérieur est aussi faible que 66 décibels.


Contrôle hydraulique intelligent: la technologie sensible à la charge (comme Shengang SK35SR-6) atteint une précision de distribution de débit de ± 1,8%, une vitesse de réponse à l'action composite de 0,7 seconde et une réduction de la consommation d'énergie de 22%.




Amélioration de l'équipement de travail:


Structure résistante à l'usure: l'articulation articulée du boom de l'excavateur compact a subi un traitement thermique carburisant (dureté HRC55 +), et le seau est soudé avec une plaque résistante à l'usure Hardox500 (dureté HB500), prolongeant sa durée de vie de 30%.


Brevet du bras en mouvement latéral: Kubota U-15-3S atteint une déviation gauche de 595 mm / déviation droite de 350 mm, et l'excavation murale ne nécessite pas de déplacer le corps.


Dispositif rotatif, fonctionnement complet à 360 °, flexible pour s'adapter à divers environnements de travail.


Mise à niveau d'interaction par ordinateur humain


Rouler la cabine résistante: certifiée par ROPS / FOPS (résistant à 16 tonnes de pression statique), équipée de sièges flottants, d'écran tactile LCD et de surveillance de la vue surround, réduisant les angles morts de 40%.


2 、 Entretien et entretien quotidien:

La règle d'or de l'entretien quotidien


Gestion de l'huile hydraulique: Utilisez l'huile hydraulique anti-port n ° 68 en été et à faible viscosité huile n ° 32 en hiver. Vérifiez régulièrement la propreté du NAS (≤ niveau 8) pour éviter l'usure de la pompe et de la vanne.


Cycle de remplissage de beurre: injectez de la graisse tous les 10 jours pour le roulement rotatif et injectez de la graisse à haute pression toutes les 4 à 8 heures pour le point de charnière du dispositif de travail pour éviter que la tige de la broche ne soit coincée.




Technique d'extension de vie des composants clés:


Système de suivi: ajustez la tension pour éviter d'être trop lâche (saut de dents) ou trop serré (usure accélérée); Nettoyez régulièrement le gravier pour empêcher la défaillance d'étanchéité de la roue de support.


Entretien du "Triangle de fer de l'usure":

Inspection des chaussures de piste pour les fissures / 500h

Les dents du pignon entraînent à plat et remplacés immédiatement

La fuite d'huile de joint de roue inerte doit être réparée

Selon Stowers Cat Statistics, 80% des défaillances du châssis sont causées par ces trois types de composants.


Lignes directrices pour gérer les conditions de travail extrêmes:


Fonctionnement à haute altitude: Le moteur turbocompressé de la mini excavatrice a une compensation de puissance de 15%, et le système hydraulique est équipé d'une soupape de compensation de pression pour éviter la perte de débit.

Fonctionnement de la pataugeoire: Dans le sauvetage des inondations italien, le HX35AZ moderne a atteint une profondeur de pataugeoire de 0,8 mètre à travers un module de circuit scellé.


Normes de stockage à long terme:


Garez-vous dans une pièce sèche, soutenez les pistes pour réduire la pression de mise à la terre;

Remplissez le réservoir de carburant pour éviter la condensation, rétractez tous les cylindres hydrauliques pour empêcher le vieillissement du joint;

Commencez une fois tous les 3 mois pour empêcher que le circuit imprimé de s'habiter.


3 、 Frontière technologique: électrification et restructuration intelligente de l'écologie industrielle

Révolution du pouvoir:


Batterie modulaire: Hitachi ZX55U-6EB prend en charge le double entraînement de l'alimentation commerciale et de la batterie, avec une charge rapide de 2 heures pour se rencontrer 10 heures de fonctionnement en 6 heures.


Test d'énergie d'hydrogène: HD Hyundai a développé un moteur à carburant d'hydrogène (HX12) pour obtenir une construction nulle de carbone.


Entretien prédictif:


Diagnostic à distance IoT: Sany Sy35U est équipé d'un système Hi Mate, qui analyse la température de l'huile et les données de vibration en temps réel, avec un taux de précision d'alerte de défaut de 92%.


Assistance à la maintenance AR: Kaise Micro Excavator offre une formation sur les opérations VR pour les petites excavatrices, simulant 30 scénarios de défaut et améliorant l'efficacité de maintenance de 40%.


4 、 Témoin pratique: de la restauration de la maison ancienne au tacle minier

La restauration de la résidence d'un érudit de la dynastie Ming et Qing à Taizhou: Kubota U-15-3S, petite excavatrice, a terminé l'excavation d'une tranchée souterraine à travers une arche de 0,85 mètre, et la fonction de mouvement latérale de la flèche a protégé l'ancienne paroi avec un taux intact de 95%.


Opérations souterraines dans une mine de cuivre chilienne: une excavatrice compacte avec une cabine renforcée modifiée a fonctionné en continu pendant 300 heures sans aucun dysfonctionnement, entraînant une réduction de 23% des coûts de chargement.


Tokyo Nighttime Municipal Construction: La version électrique pure de la excavatrice Sany Sy19e fonctionne silencieusement à 66 décibels, résolvant le problème de la "fenêtre de construction" de la ville.


Conclusion: un petit corps porte un grand avenir

Du modèle ultra-mince de 0,8 tonne au guerrier lourd de 4 tonnes, les petites excavateurs subissent une triple évolution de la construction de précision, des sources d'énergie diversifiées et un entretien intelligent, remodelant le paradigme mondial de la construction. Avec des ventes annuelles dépassant 3100 unités sur le marché indien et un taux de pénétration estimé de 40% pour les moteurs électriques d'ici 2025, cette révolution technologique de "utiliser petit pour gagner" est destinée à découvrir une opportunité en or dans le marché du milliard de dollars.


Expérience de maintenance de l'industrie:

Pour les excavateurs compacts, la conception de précision est l'épine dorsale, tandis que la maintenance intelligente est la pierre angulaire, économisant les coûts de maintenance de 1 yuan et réduisant les dépenses de réparation de 10 yuans.



Actualités connexes
Laissez-moi un message
Mobile
Adresse
Route Changjiang West, district de Huangdao, ville de Qingdao, province du Shandong, Chine
X
Nous utilisons des cookies pour vous offrir une meilleure expérience de navigation, analyser le trafic du site et personnaliser le contenu. En utilisant ce site, vous acceptez notre utilisation des cookies. politique de confidentialité
Rejeter Accepter